배경

차별화를 추구하는 기술혁신 선도기업

정부사업 수상부터 민간증자와 민간벤처투자까지 (주)두웰이엔지는 기술 혁신형 제조기업으로 빠르게 도약하고 있습니다.

ENGINEERING A BETTER FUTURE

고객 맞춤형 서비스

기술 이해도, 시험/검증 방법 컨설팅 및 운영 노하우 기반 시험평가 수행

제조사

제조사
인프라 투자 감소
시험 절차 단축

소비자

소비자
제품에 대한
안전, 신뢰성 보장

시험기관

시험기관
진동, 내구, 환경,
기초물성, 신뢰성 검증

보유네트워크

보유네트워크
인프라 투자 감소
분야별 전문가 증가

시험 서비스 | TEST SOLUTIONS

진동시험 장비

진동시험 VIBRATION

공진점 검출 시험 / 진동 내구 시험 / 충격 시험 / 복합환경 진동 시험

규격 KS R 1034, IEC 60068-2-6/27/64/, MIL-STD-810F 등

주요 적용 분야 차량 부품 · 전장 모듈 · 방산 부품 · 전기전자 부품 등

그래프1 그래프2
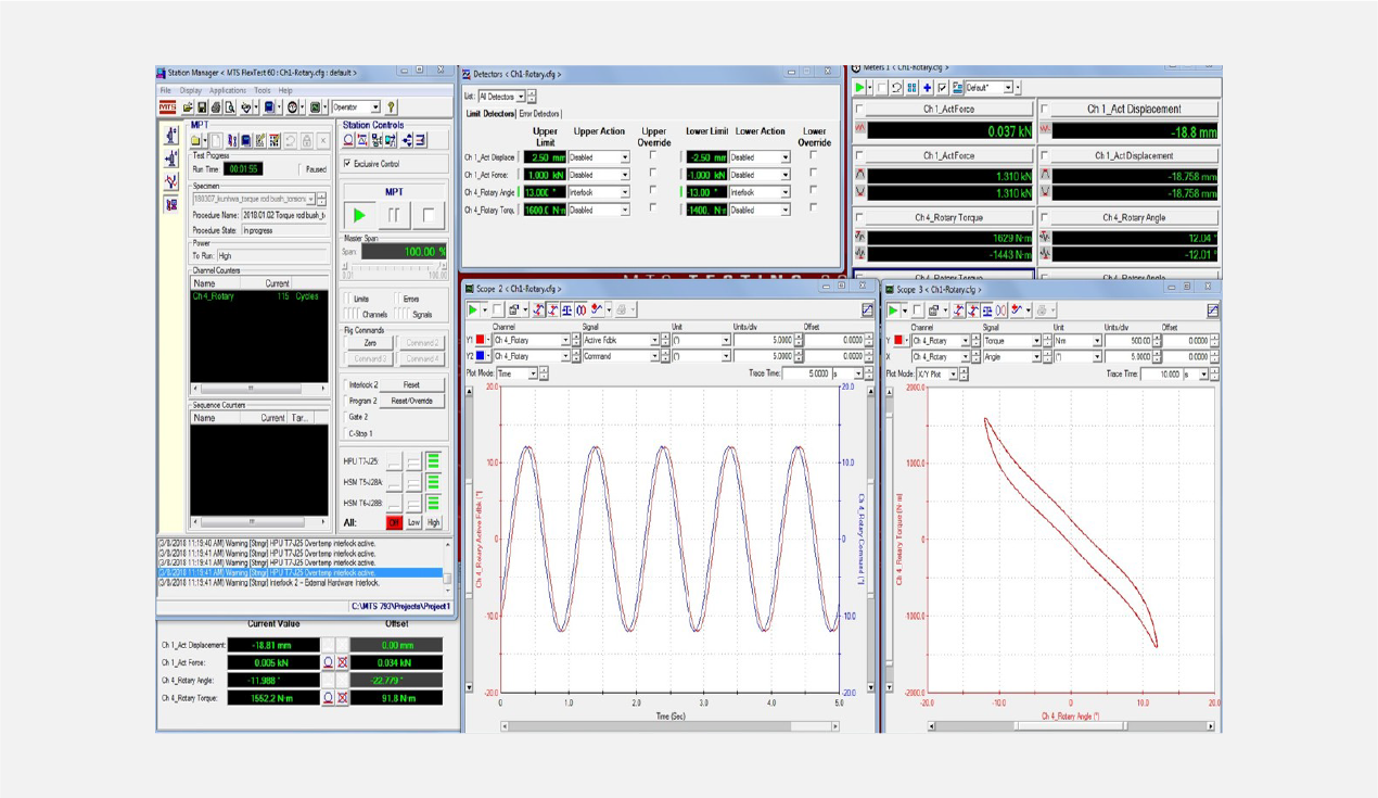
내구시험 장비

내구시험 DURABILITY

기계적 피로 시험 / 반복 하중 시험 / 동시 다축 하중 시험

주요 적용 분야 차량 부품 · 항공 부품 · 선박 부품 · 방산 부품 등

성능 환경 시험기

성능·환경시험 PERFORMANCE & ENVIRONMENT

소재, 부품 강도 / 강성 시험 (인장 · 압축 · 전단 etc.) / 부품 충격과 충돌시험을 포함하여 온도 및 습도 변화 조건에서 제품의 작동과 염수 / 가스 / 용액 부식에 따른 성능 · 내구성 검증 및 먼지와 살수 조건에 대한 저항 및 내구성 검증이 가능한 시험 서비스

규격 ASTM D7136, IEC 60068-2-1/2/14/38/52/60 등

주요 적용 분야 차량 부품 · 전장 모듈 · 방산 부품 · 전기전자 부품 등

장비1 장비2 장비3 장비4 장비5